推薦產品
河南華東起重機械設備公司
服務熱線:400 086 9590
公司:河南華東起重機械設備有限公司
聯系人:賈經理
聯系電話:13903802779
地址:河南新鄉市封丘縣起重機工業園區
當前位置: 起重機 > 起重產品 > 單梁起重機
LD型電動單梁起重機|LD電動單梁起重機
LD型電動單梁起重機|LD電動單梁起重機廠家直銷: LD型電動單梁起重機多少錢一臺?聯系LD型電動單梁起重機生產商報價!專業LD型電動單梁起重機廠家直銷供應,請根據LD型電動單梁起重機圖片、LD型電動單梁起重機型號、LD型電動單梁起重機規格參數,聯系我們獲取購買LD型電動單梁起重機價格!<br /> LD型電動單梁起重機為半定制機械,需根據您的現場條件和需求確定軌道尺寸和其他參數。
LD型電動單梁起重機產品介紹:
LD型電動單梁起重機具有結構合理,整機剛性強的特點。整機與CD1單速、MD1雙速、HC方形電動葫蘆配套使用,是一種輕小型的單梁起重機。其起重量為1T、2T、3T、5T、10T、20T;跨度為7.5M、8M、9M、10M、12M、15M、16M、19M、22.5m;工作級別為A3,其他LD型電動單梁起重機規格型號可以定做定制非標設計。
LD型電動單梁起重機工作環境:
LD型電動單梁起重機工作環境溫度為-25-40℃。廣泛用于工廠車間、倉庫、料場等不同場合吊運貨物,禁止在易燃、易爆腐蝕性介質環境中使用。如需特殊環境操作使用可聯系我們非標電動單梁起重機設計定做定制。
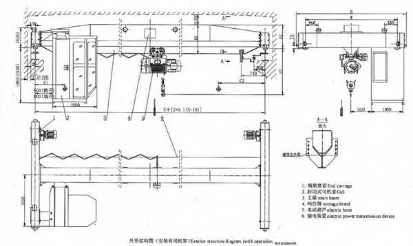
LD型電動單梁起重機圖紙及外形尺寸:
LD型電動單梁起重機操作方式:
LD型電動單梁起重機設有地面和操縱室兩種操作形式。地面操作方式有無線遙控器操作、有線手柄操作;操縱室有開式、閉式兩種,可根據起重機實際情況分為左或右面安裝兩種形式,人門方向有側面及端面兩種,以滿足用戶在各種不同需要的情況下進行選擇。

加微信好友

微信小程序

微信公眾號
400-086-9590
139-0380-2779
- 售后服務
-























