推薦產品
河南華東起重機械設備公司
服務熱線:400 086 9590
公司:河南華東起重機械設備有限公司
聯系人:賈經理
聯系電話:13903802779
地址:河南新鄉市封丘縣起重機工業園區
當前位置: 起重機 > 成功案例 > 行車案例
LDA型航車廠家價格報價|LDA單梁航車公司直銷供應
時間:2024-01-19來源:航車廠家瀏覽次數:1210
單梁航車產品說明:
LDA型單梁航車也叫LD型單梁航車LDA型單梁航車,LDA型單梁橋式航車,LDA型電動單梁航車,LDA型電動葫蘆航車,LDA型單主梁航車,LDA型航車。航車具有整機結構合理,剛性強等特點。航車配套CD1單速電動葫蘆、MD1雙速電動葫蘆、環鏈葫蘆等起升裝置使用,是一種輕小型的單梁起重機。
單梁航車優點缺點:
航車優點:訂貨生產周期短,價格便宜,起重量能夠滿足一般車間工作;
航車缺點:有效起升高度相對較低,使用中晃動相對較大,工作級別低,不適用繁重車間。
單梁航車規格型號:
航車型號:LDA型單梁航車。
LDA型單梁航車規格:1噸、2噸、3噸、5噸、10噸、16噸、20噸,起重量可非標定做。
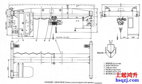
單梁航車圖紙圖片:
單梁航車優點缺點:
航車優點:訂貨生產周期短,價格便宜,起重量能夠滿足一般車間工作;
航車h缺點:有效起升高度相對較低,使用中晃動相對較大,工作級別低,不適用繁重車間。
單梁航車技術參數:
跨度:16米、19米、20米、22米、26米、29米、31米、36米,(1米-50米)可非標定制。
起升高度:6米、9米、12米、18米、24米、30米,起升高度可非標訂做。
工作級別:A3/M3;
起升速度:0.35M/MIN、0.7M/MIN、0.8M/MIN、3.5M/MIN、7M/MIN、8M/MIN,可定做;
大車運行速度:10M/MIN、20M/MIN、30M/MIN、40M/MIN,可定制;
小車運行速度:20M/MIN,可非標定做;
電源:三相交流 380V 50HZ 可訂制其他電壓;
單梁航車使用注意事項:
航車使用環境不能在有易燃易爆介質的工作環境或有很大濕度與酸、堿類氣體的工作場所中使用,也不適用于吊運熔化金屬、有毒物工作車間,特殊車間需要訂購特種航車。

加微信好友

微信小程序

微信公眾號
400-086-9590
139-0380-2779
- 售后服務
-
















