Product Series
推薦產品
河南華東起重機械設備公司
服務熱線:400 086 9590
公司:河南華東起重機械設備有限公司
聯系人:賈經理
聯系電話:13903802779
地址:河南新鄉市封丘縣起重機工業園區
當前位置: 起重機 > 起重機文章
2噸3噸單梁起重機(行車)主要技術參數
時間:2024-05-24來源:起重機廠家瀏覽次數:1
2噸3噸行車是單梁起重機中常用的小噸位行車,跨度一般不超過30米,起吊高度可以根據客戶要求定制6-30米,小編為大家介紹下2噸、3噸單梁行車起重機主要技術參數。

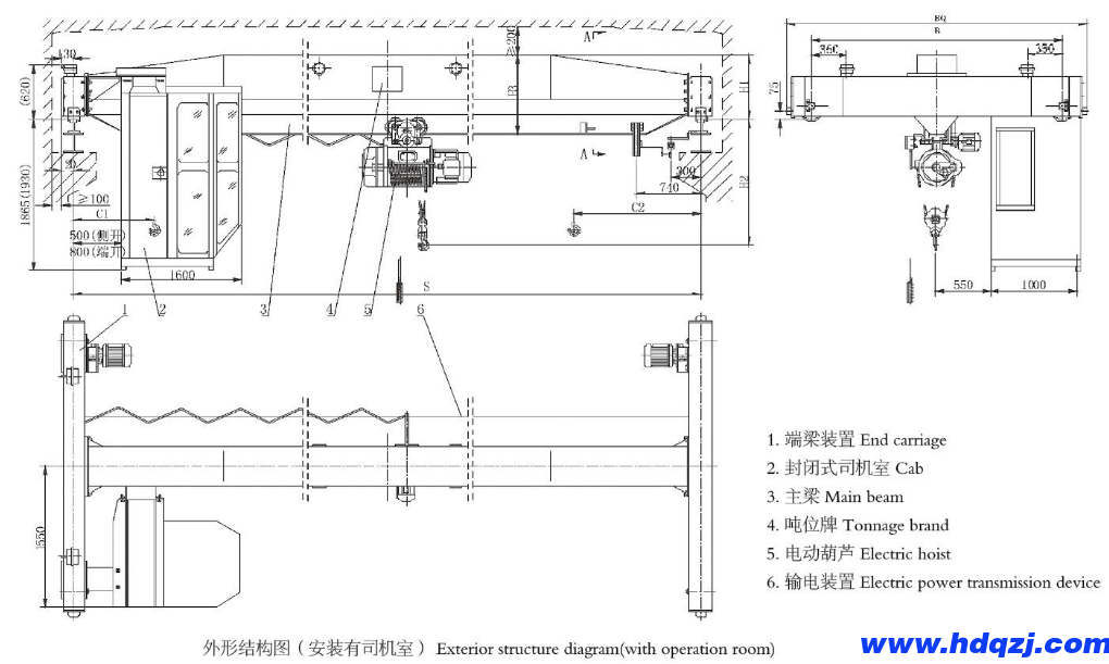
單梁起重機結構簡圖:

2噸3噸行車技術參數
起重量 | t | 2 | 3 | |||||||||||||||
操縱形式 | 地面操縱 | 操作室操縱 | 地面操縱 | 操作室操縱 | ||||||||||||||
運行機構 | 運動速度 | m/min | 20 | 30 | 45 | 45 | 60 | 75 | 20 | 30 | 45 | 45 | 60 | 75 | ||||
減速比 | 58.78 | 39.38 | 26.36 | 26.36 | 19.37 | 15.61 | 58.78 | 39.38 | 26.36 | 26.36 | 19.37 | 15.61 | ||||||
電機型號 | ZDY21-4 | ZDR12-4 | ZDY21-4 | ZDR12-4 | ||||||||||||||
功率
| kW | 2*0.8 | 2*1.5 | 2*0.8 | 2*1.5 | |||||||||||||
轉速
| r/min | 1380 | 1380 | |||||||||||||||
起升機構
| 電動葫蘆型號 | CDI型 | MDI型 | CDI型
| MDI型 | |||||||||||||
起升速度 | m/min | 8 | 8/0.8 | 8 | 8/0.8 | |||||||||||||
運行長度 | m | 6、9、12、18、24、30 | 6、9、12、18、24、30 | |||||||||||||||
運行速度 | m/min | 20,30 | 20,30 | |||||||||||||||
| 電機型號 | 錐形鼠籠形 | 錐形鼠籠形 | ||||||||||||||||
工作制度 | A3-A5 | A3-A5 | ||||||||||||||||
電源 | 三相50HZ 380V | 三相50HZ 380V | ||||||||||||||||
車輪直徑 | mm | 220 | 220 | |||||||||||||||
常用軌道 | kg/m | 18,24 | 18,24 | |||||||||||||||
起重量 | t | 2 | 3 | |||||||||||||||
跨度S | m | 7.5-11 | 11.5-12 | 12.5-14 | 14.5-17 | 19.5 | 22.5 | 7.5-11 | 11.5-12 | 12.5-14 | 14.5-17 | 19.5 | 22.5 | |||||
總重 | 地操 | t | 1.78-2.10 | 2.21-2.26 | 2.35-2.50 | 2.63-2.91 | 3.85 | 4.67 | 1.88-2.24 | 2.32-2.38 | 2.47-2.64 | 3.17-3.53 | 4.28 | 4.83 | ||||
室操 | t | 2.18-2.50 | 2.61-2.66 | 2.75-2.90 | 3.03-3.31 | 4.25 | 5.07 | 2.28-2.64 | 2.72-2.78 | 2.87-3.04 | 3.37-3.93 | 4.68 | 5.23 | |||||
輪壓 | 地操 | t | 1.64-1.72 | 1.75-1.76 | 1.79-1.83 | 1.87-1.93 | 2.18 | 2.38 | 2.15-2.24 | 2.26-2.28 | 2.31-2.35 | 2.48-2.57 | 2.80 | 2.94 | ||||
室操 | 1.94-2.02 | 2.05-2.06 | 2.09-2.13 | 2.17-2.23 | 2.48 | 2.68 | 2.45-2.54 | 2.56-2.58 | 2.61-2.65 | 2.78-2.87 | 3.10 | 3.34 | ||||||
基本尺寸 | h1 | mm | 550 | 595 | 700 | 800 | 900 | 650 | 700 | 800 | 900 | 1000 | ||||||
B | 2500 | 3000 | 3000 | 2500 | 3000 | 3500 | ||||||||||||
K | 2000 | 2500 | 3000 | 2000 | 2500 | 3000 | ||||||||||||
L1 | 871.5 | 818.5 | ||||||||||||||||
L2 | 1292.5 | 1291 | ||||||||||||||||
H | 1100 | 1105 | 1110 | 1115 | 1120 | 1150 | 1170 | 1185 | 1210 | |||||||||
H1 | 490 | 580 | 660 | 785 | 530 | 580 | 660 | 745 | 820 | |||||||||
備注:參數如有修改,恕不另行通知




















