Product Series
推薦產品
河南華東起重機械設備公司
服務熱線:400 086 9590
公司:河南華東起重機械設備有限公司
聯系人:賈經理
聯系電話:13903802779
地址:河南新鄉市封丘縣起重機工業園區
當前位置: 起重機 > 起重機文章
電動葫蘆的PLC控制電路與電動葫蘆升降PLC控制原理圖詳解
時間:2024-10-03來源:起重機廠家瀏覽次數:1
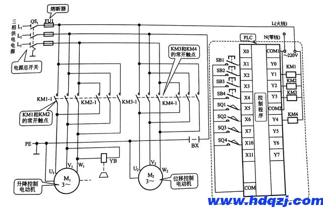
電動葫蘆的PLC控制電路如下:
電動葫蘆的PLC控制電路
I/O分配表如下:
I/O分配表
梯形圖如下:
梯形圖
電動葫蘆的上升過程為:
當按下電動葫蘆上升點動控制按鈕SB1時(步驟1),其將PLC內的×1置1,即該觸點接通(步驟2),使得Y1得電(步驟3),控制PLC外接交流接觸器線圈KM得電,同時其常閉觸點×1置0,即該觸點斷開防Y2(KM2)得電,Y1得電,常閉觸點Y1斷開,Y2(KM2)互鎖(步驟4)。主電路中的主觸點KM1-1閉合,接通電動機電源,升降控制電動機啟動開始上升運轉(步驟5)。
當電動機上升到限位開關SQ1設定位置時,限位行程開關SQ1動作,將PLC內×5置0,即觸點斷開,Y1失電,接觸器KM1線圈失電復位,主觸點復位斷開,電動機停止上升(步驟6)。
電動葫蘆的下降過程為:
當按下下降點動控制按鈕SB2時(步驟7),其將PLC內的×2置1,即該觸點接通(步驟8),使得Y2得電(步驟9),控制PLC外接交流接觸器線圈KM2得電,同時其常閉觸點×2置0,即該觸點斷開(步驟8),防止Y1(KM1)得電。Y2得電,常閉觸點Y2斷開與Y1(KM1)互鎖(步驟10),KM2得電,主電路中的主觸點閉合,接通電動機電源,升降控制電動機啟動開始下降運轉(步驟11)。
當電動機下降到限位開關SQ2設定位置時,限位行程開關SQ2動作,將PLC內×6置o,
即該觸點斷開,Y2失電,即接觸器KM2線圈失電復位,主觸點復位斷開,電動機停止下降(步驟12)。
以上就是關于電動葫蘆上升下降過程中,電動葫蘆PLC控制電動路的原理并附圖解說明。




















