推薦產品
河南華東起重機械設備公司
服務熱線:400 086 9590
公司:河南華東起重機械設備有限公司
聯系人:賈經理
聯系電話:13903802779
地址:河南新鄉市封丘縣起重機工業園區
當前位置: 起重機 > 技術資料 > 起重機百科
HT4型彈簧緩沖器HT4系列彈簧防撞緩沖器碰頭
時間:2024-01-20來源:彈簧緩沖器廠家瀏覽次數:1
緩沖器介紹
HT4型彈簧緩沖器是中部安裝式彈簧緩沖器,主要型號規格有:HT4-800、HT4-1000、HT4-1250、HT4-1600、HT4-2000型等,其特點是機構比較簡單,使用可靠。緩沖時,其能量主要轉變為彈簧的彈性勢能。當運行機械位置限制器或制動裝置發生故障時,由于慣性的原因,運行到終點的起重機或小車,將在運行終點與設置的止擋體相撞。設置緩沖器的目的就是吸收起重機或起重小車的運行動能,以減緩沖擊。
緩沖器說明
產品名稱:HT4型彈簧緩沖器
別名別稱:防撞緩沖/碰頭
型號規格:HT4型
所屬類別:中部安裝式彈簧緩沖器
產品產地:河南新鄉
是否定制:是
是否現貨:部分現貨
生產周期:5~15天
供貨范圍:全國
送達方式:自提或物流托運
是否安裝:安裝另議
售后方式:一年保修
緩沖器圖片

緩沖器參數
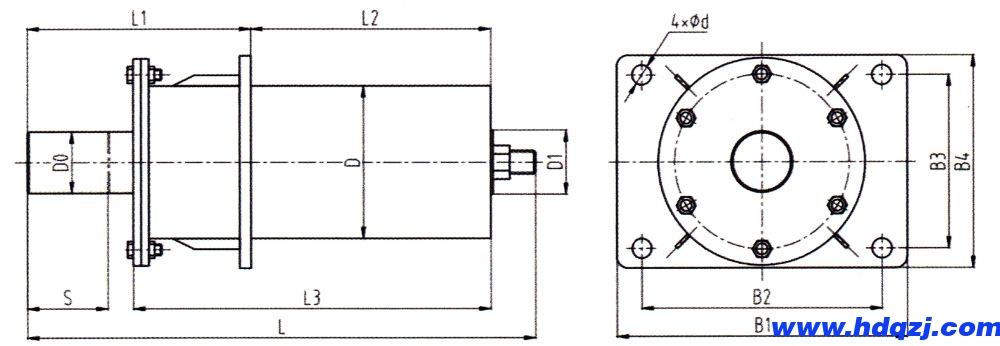
HT4型彈簧緩沖器外形安裝尺寸圖 ![]() | ||||||||||||||||
| HT4型緩沖器參數對照表 | ||||||||||||||||
| 序號 | 型號 | L mm | L1 mm | L2 mm | L3 mm | B1 mm | B2 mm | B3 mm | B4 mm | D mm | D1 mm | Do mm | d mm | 緩沖容量 W/Kn.m | 緩沖行程 S/mm | 緩沖力 PJ/Kn |
| 1 | HT4-800 | 910 | 400 | 430 | 640 | 520 | 450 | 380 | 310 | 273 | 135 | 110 | 35 | 8.00 | 143 | 108 |
| 2 | HT4-1000 | 840 | 400 | 360 | 580 | 520 | 450 | 450 | 390 | 325 | 135 | 120 | 35 | 9.0 | 135 | 131 |
| 3 | HT4-1250 | 840 | 400 | 360 | 580 | 520 | 450 | 450 | 390 | 325 | 135 | 120 | 42 | 11.0 | 135 | 165 |
| 4 | HT4-1600 | 1010 | 400 | 530 | 750 | 780 | 700 | 480 | 400 | 325 | 135 | 120 | 42 | 16.0 | 120 | 273 |
| 5 | HT4-2000 | 1140 | 450 | 600 | 840 | 780 | 700 | 180 | 400 | 325 | 135 | 120 | 42 | 21.5 | 150 | 293 |
緩沖器廠家
HT4型彈簧緩沖器貨源產地生產廠家還為用戶提供HT1、HT2、HT3型和非標彈簧緩沖器、聚氨酯緩沖器、液氣緩沖器、彈性阻尼緩沖器、雙向液壓緩沖器、電梯緩沖器、澆筑膠彈性體緩沖器、復合型緩沖器、橡膠緩沖器、單梁起重機/電動葫蘆碰頭等緩沖器產品的設計制造(定制配套)和半成品配件批發零售、安裝修理維修等服務,更多國標/非標/專用/新型緩沖器設計制造規范標準、結構形式、材質、工作原理和型號規格、技術參數、安裝尺寸圖紙、使用說明以及品牌、價格等請咨詢客服。
-
20
2024-01
HT1型彈簧緩沖器HT1系列彈簧防撞緩沖/碰頭
緩沖器介紹 HT1型彈簧緩沖器為殼體焊接式彈簧緩沖器,主要型號規格有:HT1-16、HT1-40、HT1-63、HT1-100型等,其特點是機構比較簡單,使用可靠。緩沖時,其能量主要轉變為彈簧的彈性勢能。當運行機械位置限制器或制動裝置發生故障時,由于慣性的原因,運行到終點的起重機或小車,將在運行終點與設置的止擋體相撞。設置緩沖器的目的就是吸收起重機或起重小車的運行動能,以減緩沖擊。緩沖...詳細
-
20
2024-01
HT2型彈簧緩沖器HT2系列彈簧防撞緩沖器碰頭
緩沖器介紹 HT2型彈簧緩沖器為底座焊接式彈簧緩沖器,主要型號規格有:HT2-100、HT2-160、HT2-250、HT2-315、HT2-400、HT2-500、HT2-630型等。其特點是機構比較簡單,使用可靠。緩沖時,其能量主要轉變為彈簧的彈性勢能。當運行機械位置限制器或制動裝置發生故障時,由于慣性的原因,運行到終點的起重機或小車,將在運行終點與設置的止擋體相撞。設置緩沖器的目...詳細
-
20
2024-01
HT4型彈簧緩沖器HT4系列彈簧防撞緩沖器碰頭
緩沖器介紹 HT4型彈簧緩沖器是中部安裝式彈簧緩沖器,主要型號規格有:HT4-800、HT4-1000、HT4-1250、HT4-1600、HT4-2000型等,其特點是機構比較簡單,使用可靠。緩沖時,其能量主要轉變為彈簧的彈性勢能。當運行機械位置限制器或制動裝置發生故障時,由于慣性的原因,運行到終點的起重機或小車,將在運行終點與設置的止擋體相撞。設置緩沖器的目的就是吸收起重機或起重小...詳細
-
20
2024-01
HT3系列彈簧緩沖器HT3型彈簧防撞緩沖/碰頭
緩沖器介紹 HT3型彈簧緩沖器是端部安裝式彈簧緩沖器,主要型號有:HT3-630、HT3-800、HT3-1000、HT3-1250、HT3-1600、HT3-2000型等,其特點是機構比較簡單,使用可靠。緩沖時,其能量主要轉變為彈簧的彈性勢能。當運行機械位置限制器或制動裝置發生故障時,由于慣性的原因,運行到終點的起重機或小車,將在運行終點與設置的止擋體相撞。設置緩沖器的目的就是吸收起...詳細





















