推薦產品
河南華東起重機械設備公司
服務熱線:400 086 9590
公司:河南華東起重機械設備有限公司
聯系人:賈經理
聯系電話:13903802779
地址:河南新鄉市封丘縣起重機工業園區
當前位置: 起重機 > 技術資料 > 起重機百科
HCDT系列法蘭盤型電梯緩沖器HCDT型電梯緩沖器
時間:2024-01-20來源:電梯緩沖器廠家瀏覽次數:1
緩沖器介紹
HCDT-C法蘭盤型電梯緩沖器型號規格有:HCDT-C-1、HCDT-C-2、HCDT-C-3、HCDT-C-4、HCDT-C-5、HCDT-C-6、HCDT-C-7、HCDT-C-8、HCDT-C-9、HCDT-C-10型等。該型號緩沖器主要用于垂直升降的客梯貨梯使用,它被設計用來緩沖電梯在著陸時的沖擊力,以保護乘客和電梯本身。
緩沖器說明
產品名稱:法蘭盤型電梯緩沖器
別名別稱:緩沖膠/碰頭
型號規格:HCDT-C型
所屬類別:電梯緩沖裝置
產品產地:河南
廠家品牌:鴻起
是否定制:是
是否現貨:部分現貨
定制周期:5~10天
供貨范圍:全國
送達方式:自提或物流托運
發貨地區:河南新鄉長垣
緩沖器圖片

緩沖器參數
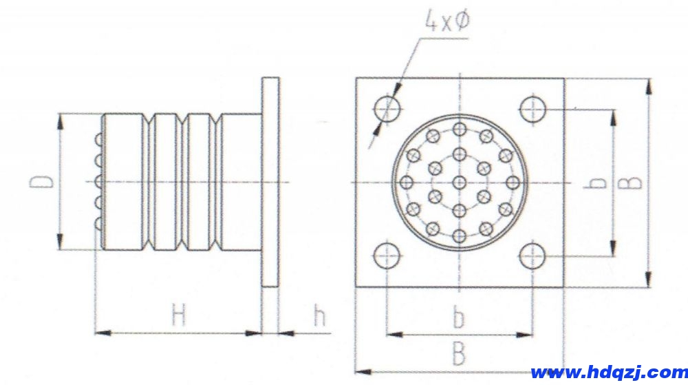
HCDT-C法蘭盤型電梯緩沖器外形尺寸圖 ![]() | ||||||||
| HCDT-C型緩沖器參數對照表 | ||||||||
| 序號 | 型號 | 規格 DxH | B | b | h | Φ | 緩沖行程 (mm) | 質量范圍 KG |
| 1 | HCDT-C-1 | 80×125 | 115 | 85 | 6 | 12 | 90 | 200-400 |
| 2 | HCDT-C-2 | 100×125 | 130 | 100 | 6 | 14 | 90 | 200-750 |
| 3 | HCDT-C-3 | 100×160 | 130 | 100 | 6 | 14 | 120 | 500-1000 |
| 4 | HCDT-C-4 | 125×160 | 165 | 130 | 6 | 14 | 120 | 500-1200 |
| 5 | HCDT-C-5 | 125×200 | 165 | 130 | 6 | 14 | 150 | 800-1500 |
| 6 | HCDT-C-6 | 140×200 | 180 | 140 | 6 | 16 | 150 | 1000-1600 |
| 7 | HCDT-C-7 | 160×200 | 200 | 160 | 8 | 16 | 150 | 1000-2000 |
| 8 | HCDT-C-8 | 160×220 | 200 | 160 | 8 | 16 | 150 | 1000-2200 |
| 9 | HCDT-C-9 | 200×250 | 250 | 200 | 8 | 16 | 188 | 1400-3000 |
| 10 | HCDT-C-10 | 250×320 | 320 | 250 | 8 | 18 | 240 | 2000-3500 |
緩沖器廠家
HCDT-C法蘭盤型電梯緩沖器貨源產地生產廠家還為用戶提供ZLA型、ZLB型、 ZLC型、ZLF型復合型緩沖器、液氣緩沖器、阻尼緩沖器、液壓緩沖器、彈簧緩沖器、橡膠緩沖器、澆筑膠彈性體緩沖器、單梁起重機/電動葫蘆碰頭等緩沖器產品的設計制造(定制配套)和半成品配件批發零售、安裝更換等服務,更多國標/非標/專用/新型緩沖器設計制造規范標準、結構形式、材質、工作原理和型號規格、技術參數、安裝尺寸圖紙、使用說明以及品牌、價格等請咨詢客服。
-
20
2024-01
HCDT系列法蘭盤型電梯緩沖器HCDT型電梯緩沖器
緩沖器介紹 HCDT-C法蘭盤型電梯緩沖器型號規格有:HCDT-C-1、HCDT-C-2、HCDT-C-3、HCDT-C-4、HCDT-C-5、HCDT-C-6、HCDT-C-7、HCDT-C-8、HCDT-C-9、HCDT-C-10型等。該型號緩沖器主要用于垂直升降的客梯貨梯使用,它被設計用來緩沖電梯在著陸時的沖擊力,以保護乘客和電梯本身。緩沖器說明產品名稱:法蘭盤型電梯緩沖器別名別...詳細





















