Product Series
推薦產品
河南華東起重機械設備公司
服務熱線:400 086 9590
公司:河南華東起重機械設備有限公司
聯系人:賈經理
聯系電話:13903802779
地址:河南新鄉市封丘縣起重機工業園區
當前位置: 起重機 > 起重機文章
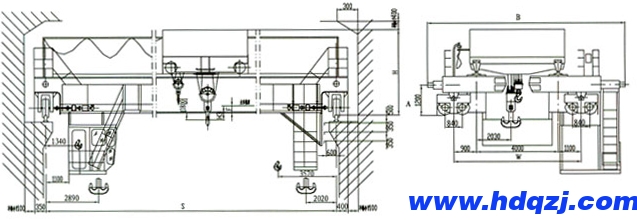
QD型100/20噸電動雙梁橋式起重機技術參數表
時間:2024-04-15來源:起重機廠家瀏覽次數:1
QD型100/20噸電動雙梁橋式起重機方案圖

QD型100/20噸電動雙梁橋式起重機技術規格參數:
| 工作級別 | A5 | A6 | ||||||||||||||
| 跨度 | m | 13.5 | 16.5 | 19.5 | 22.5 | 25.5 | 28.5 | 31.5 | 13.5 | 16.5 | 19.5 | 22.5 | 25.5 | 28.5 | 31.5 | |
| 超重機總量 | t | 75.4 | 81.9 | 88.7 | 96.2 | 104.2 | 113 | 121 | 75.9 | 82.4 | 89.3 | 96.8 | 104.8 | 113.6 | 121.2 | |
| 輪壓 | KN | 393 | 413 | 431 | 447 | 463 | 480 | 493 | 395 | 415 | 433 | 449 | 465 | 482 | 495 | |
| 起升高度 | m | 18/20 | 18/20 | |||||||||||||
| 速度 | 起重機運行 | m/min | 66.7 | 67.2 | ||||||||||||
| 小車運行 | 32.9 | 32.9 | ||||||||||||||
| 主起升 | 4.5 | 5.7 | ||||||||||||||
| 副起升 | 9.2 | 9.2 | ||||||||||||||
| 電動機 | 起重機運行 | YZR300L-6.2x26kw | YZR225M-6 2x30kw | |||||||||||||
| 小車運行 | YZR180L-6 17KW | YZR180L-6 17kw | ||||||||||||||
| 起升 | YZR355M-10 110kw | YZR355L1-10 110kw | ||||||||||||||
| 副起升 | YZR250M1-8 35kw | YZR250M1-8 35kw | ||||||||||||||
| 主要尺寸 | B | mm | 8810 | 8810 | ||||||||||||
W | 6000 | 6000 | ||||||||||||||
H | 3987 | 3989 | 3991 | 3993 | 4115 | 4118 | 4118 | 3987 | 3989 | 3991 | 3993 | 4115 | 4118 | 4118 | ||
A | 1200 | 1200 | ||||||||||||||
H3 | 1228 | 1226 | 1224 | 1222 | 1100 | 1097 | 1097 | 1228 | 1226 | 1224 | 1222 | 1100 | 1097 | 1097 | ||
F | -4 | -2 | 100 | 192 | 174 | 177 | 377 | -4 | -2 | 100 | 192 | 174 | 177 | 377 | ||
| QU80 QU100 QU120 | ||||||||||||||||




















