Product Series
推薦產品
河南華東起重機械設備公司
服務熱線:400 086 9590
公司:河南華東起重機械設備有限公司
聯系人:賈經理
聯系電話:13903802779
地址:河南新鄉市封丘縣起重機工業園區
當前位置: 起重機 > 起重機文章
YWP系列電力液壓鼓式制動器YWP電力液壓鼓式剎車抱閘
時間:2024-01-23來源:起重機制動器廠家瀏覽次數:1
制動器產品介紹
YWP系列電力液壓鼓式制動器型號規格有:YWP160-220、YWP200-220、YWP200-300、YWP250-220、YWP250-300、YWP250-500、YWP315-300、YWP315-500、YWP315-800、YWP400-500、YWP400-800、YWP400-1250、YWP500-800、YWP500-1250、YWP500-2000、YWP630-1250、YWP630-2000、YWP630-3000、YWP710-2000、YWP710-3000、YWP800-3000型等。
制動器產品說明
產品名稱:電力液壓鼓式制動器
別名別稱:制動剎車/抱閘
型號規格:YWP系列型
所屬類別:鼓式制動器
產品產地:河南新鄉/焦作
是否定制:是
是否現貨:部分現貨
生產周期:3~10天
供貨范圍:全國
送達方式:自提或物流托運
是否安裝:安裝另議
售后方式:一年保修
發貨地區:河南長垣
制動器產品圖冊

制動器相關參數
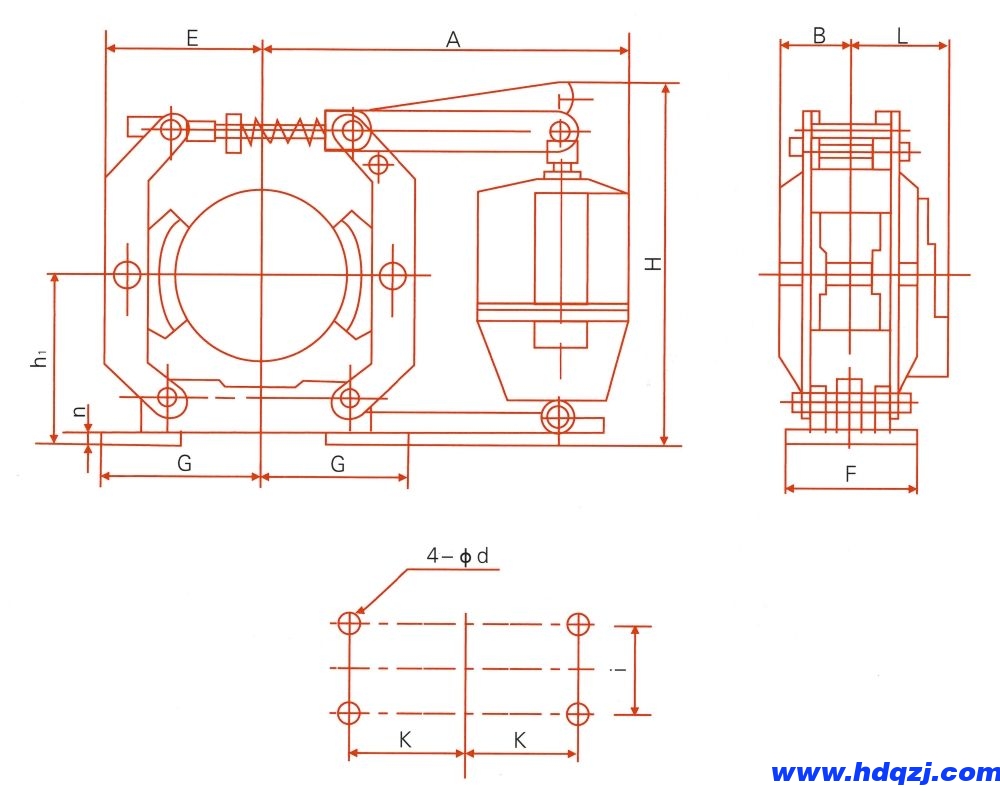
YWP系列電力液壓鼓式制動器外形尺寸圖

YWP系列電力液壓鼓式制動器外形尺寸圖
| 推動器型號 | 制動力矩 (N.m) | 退距 | A | b | C | C1 | D | d | E | F | G | H | h1 | i | K | M | n | 重量 (kg) | |||||||||||||||||
| YTD-220/5 | 63-100 | 1.00 | 410 | 65 | 160 | 120 | 160 | 14 | 135 | 90 | 150 | 400 | 132 | 55 | 130 | 125 | 6 | 21 | |||||||||||||||||
| YTD-220/5 | 90-140 | 450 | 70 | 160 | 200 | 165 | 165 | 490 | 160 | 145 | 151 | 8 | 28 | ||||||||||||||||||||||
| YTD-300/5 | 140-224 | 32 | |||||||||||||||||||||||||||||||||
| YTD-220/5 | 125-200 | 500 | 90 | 160 | 120 | 250 | 18 | 200 | 100 | 200 | 570 | 190 | 65 | 180 | 180 | 10 | 39 | ||||||||||||||||||
| YTD-300/5 | 160-250 | ||||||||||||||||||||||||||||||||||
| YTD-500/6 | 280-450 | 540 | 195 | 157 | 44 | ||||||||||||||||||||||||||||||
| YTD-300/5 | 200-315 | 1.25 | 550 | 110 | 160 | 120 | 315 | 245 | 115 | 245 | 600 | 230 | 80 | 220 | 207 | 10 | 51 | ||||||||||||||||||
| YTD-500/6 | 355-560 | 590 | 195 | 157 | 63 | ||||||||||||||||||||||||||||||
| YTD-800/6 | 560-900 | ||||||||||||||||||||||||||||||||||
| YTD-500/6 | 450-710 | 680 | 140 | 195 | 157 | 400 | 22 | 300 | 140 | 300 | 790 | 280 | 100 | 270 | 248 | 12 | 97 | ||||||||||||||||||
| YTD-800/6 | 710-1120 | 107 | |||||||||||||||||||||||||||||||||
| YTD-1250/6 | 1120-1800 | 240 | 148 | 122 | |||||||||||||||||||||||||||||||
| YTD-800/6 | 900-1400 | 760 | 180 | 195 | 157 | 500 | 365 | 180 | 365 | 845 | 340 | 130 | 325 | 330 | 16 | 159 | |||||||||||||||||||
| YTD-1250/6 | 1400-2240 | 788 | 240 | 148 | 174 | ||||||||||||||||||||||||||||||
| YTD-2000/6 | 2240-3550 | 174 | |||||||||||||||||||||||||||||||||
| YTD-1250/6 | 1800-2800 | 1.6 | 860 | 220 | 630 | 27 | 450 | 220 | 450 | 1020 | 420 | 170 | 400 | 405 | 20 | 267 | |||||||||||||||||||
| YTD-2000/6 | 2800-4500 | ||||||||||||||||||||||||||||||||||
| YTD-3000/6 | 4000-6300 | 268 | |||||||||||||||||||||||||||||||||
| YTD-2000/6 | 3150-5000 | 930 | 255 | 710 | 500 | 240 | 500 | 1100 | 470 | 190 | 450 | 456 | 20 | 350 | |||||||||||||||||||||
| YTD-3000/6 | 4500-7100 | ||||||||||||||||||||||||||||||||||
| YTD-3000/6 | 5000-8000 | 985 | 280 | 800 | 570 | 280 | 570 | 1200 | 530 | 210 | 520 | 476 | 22 | 493 | |||||||||||||||||||||
YWP系列電力液壓鼓式制動器貨源產地、生產廠家還為用戶提供電磁鼓式制動器、盤式制動器、防風制動器、防爆/隔爆制動器、輪邊制動器、液壓/氣動直動制動器成套和推動器、驅動裝置(液壓罐、制動器電機)、制動瓦塊、制動器架子等零部件的設計制造(定制)和配件批發零售、安裝修理維修服務,更多制動器產品特性/選型、技術參數、制動力矩、退距、規范標準、外形尺寸、常見問題以及價格報價請咨詢客服。
-
23
2024-01
EYWZ系列電力液壓鼓式制動器EYWZ電力液壓鼓式剎車抱閘
制動器產品介紹 EYWZ系列電力液壓鼓式制動器型號規格有:EYWZ-200/E23、EYWZ-200/E50、EYWZ-250/E50、EYWZ-315/E50、EYWZ-315/E80等。主要用于起重機大車行走機構的制動和皮帶運輸機的工作制動,該系列制動器為兩級制動式制動 裝置,第二級的制動時間可通過單向調速閥進行調整,制動平穩,安全可靠。制動器產品說明產品名稱:電力液壓鼓式制動器別...詳細
-
23
2024-01
YWP系列電力液壓鼓式制動器YWP電力液壓鼓式剎車抱閘
制動器產品介紹 YWP系列電力液壓鼓式制動器型號規格有:YWP160-220、YWP200-220、YWP200-300、YWP250-220、YWP250-300、YWP250-500、YWP315-300、YWP315-500、YWP315-800、YWP400-500、YWP400-800、YWP400-1250、YWP500-800、YWP500-1250、YWP500-200...詳細
-
23
2024-01
YWZ(12)系列電力液壓鼓式制動器YWZ(12)電力液壓鼓式剎車抱閘
制動器產品介紹 YWZ12系列電力液壓鼓式制動器型號規格有:YWZ12-200/23S、YWZ12-200/30S、YWZ12-250/23S、YWZ12-250/30S、YWZ12-250/50S、YWZ12-315/30S、YWZ12-315/50S、YWZ12-315/80S、YWZ12-400/50S、YWZ12-400/80S、YWZ12-400/121S、YWZ12-500...詳細
-
23
2024-01
YWZ(10)系列電力液壓鼓式制動器YWZ(10)電力液壓鼓式剎車抱閘
制動器產品介紹 YWZ10系列電力液壓鼓式制動器型號規格有:YWZ10-200/E23、YWZ10-200/E30、YWZ10-250/E23、YWZ10-250/E30、YWZ10-250/E50、YWZ10-315/E30、YWZ10-315/E50、YWZ10-315/E80、YWZ10-400/E50、YWZ10-400/E80、YWZ10-400/E121、YWZ10-500...詳細
-
23
2024-01
YW-E二級電力液壓鼓式制動器YW-E型電力液壓鼓式剎車抱閘
制動器產品介紹 YW-E二級電力液壓鼓式制動器型號規格有:YW-E200/E23、YW-E200/E30、YW-E200/E50、YW-E250/E50、YW-E315-E50、YW-E315-E80、YW-E400-E80型等,鼓式制動器廣泛用于起重機械、運輸、冶金、港口、碼頭、建筑機械等機械驅動裝置的減速或制動。根據用戶要求,可生產各種常開、防爆及非標制動器產品。 制...詳細
-
23
2024-01
YW-L型電力液壓鼓式制動器YW-L型電力液壓鼓式剎車抱閘
制動器產品介紹 YW-L型電力液壓鼓式制動器型號規格有:YW-L-200/E23、YW-L-200/E30、YW-L-250/E23、YW-L-250-E30、YW-L-250-E50、YW-L-315-E23、YW-L-315-E30、YW-L-315-E50、YW-L-315-E80、YW-L-400-E30、YW-L-400-E50、YW-L-400-E80、YW-L-400-E...詳細




















